全国服务热线
点击次数:1107 更新时间:2022-07-18
智能型低压保护器DeM200K(电动机/线路保护器)



一、 概述
DeM200K低压智能保护器(以下简称DeM200K或保护器)适用于AC380V、AC660V低压系统,有先进的电动机或线路保护、监控功能,可同时测量显示三相电流、三相电压等多种电力参数,并且可选现场总线与后台通讯实时查看运行及保护信息,可作低压异步电动机和三相电力馈电系统的保护、监测和控制用,是新一代集继电保护、测量、控制、通讯为一体的低压保护装置,为现代化的设备管理带来很大的便利。
DeM200K通过采集三相电流、三相电压、漏电电流等数据,再将这些数据计算后和控制器记录的各种保护功能整定信息进行比较,当符合保护动作条件时,驱动相应继电器跳闸和报警输出,从而达到保护电动机或低压线路的目的。
DeM200K低压智能保护器符合以下安全标准:
GB14048.1-2012 低压开关设备和控制设备 总则;
GB14048.4-2010 低压开关设置和控制设置 机电式接触器和电动机启动器;
GB14048.5-2008 低压开关设备和控制设置 控制电路电器和开关元件
第1部分:机电式控制电路电器
GB14048.6-2008 低压开关设备和控制设备
第2部分:交流半导体电动机控制器和启动器
二、 产品特点
1. 可用于0.66KV及以下电压等级各种电流规格电动机或馈出线路的全面保护;
2. 通过监测电动机三相回路的电流、电压、漏电电流等参数对电动机或线路进行全面保护(具有启动超时、过流、堵转、短路、欠载、断相、不平衡、漏电、过压、欠压等多种保护功能);
注:线路保护器(馈线保护)无断相、三相电流不平衡保护;
3. 采用高亮度段码式LCD,中文提示结合数据,直观显示运行状态或故障保护详细情况;
4. 可编程设置,保护器可在现场通电后待机状态下方便地更改整定电流、保护定值等参数;
5. 可选配1路RS485通讯接口,采用MODBUS-RTU协议与后台组网通讯;
6. 可选配1路DC4~20mA模拟量变送输出到后台工控机(变送对应量可选A相电流、B相电流、C相电流、漏电电流、三相电流不平衡率、三相电压中任一电量);
7. 提供4路开关量输入和3路继电器输出,可适用于多种启动控制方式(可选:电动机保护模式、电动机直接启动模式、电动机双向可逆启动模式、星/三角启动两继电器模式、线路保护模式);
8. 电源电压:AC/DC 85V~265V;
9. 保护器采用面板开孔嵌入安装方式,开孔尺寸:91mm(横向)×43mm(纵向);
三、产品选型说明

注:保护器“电流规格”应略大于电动机铭牌电流或线路设计电流,当电动机铭牌电流或线路电流<200A时,主线路一次穿过自带电流互感器即可;当电流>200A时,需外置二次电流为5A的保护型电流互感器,二次5A电流信号一次穿过自带电流互感器,CT变比可以在保护器内设置。选配功能可同时选择多种。定货时需标清航空连接线长度(航空连接线标配1米,可选1米、3米、5米三种长度)。
四、功能配置
形式 功能 | 功能配置 | ||
标准配置 | 增选配置 | ||
电 动 机 保 护 功 能 | 启动超时保护 | √ | |
过流保护 | √ | ||
堵转保护、短路保护 | √ | ||
电流不平衡保护、断相保护 | √ | ||
欠载保护 | √ | ||
过压保护、欠压保护 | √ | ||
漏电保护(需另配零序电流互感器,互感器选型见A10页) | √ | ||
控 制 方 式 | 电动机保护模式 |
√ 可 编 程
| |
电动机直接启动模式 | |||
电动机双向可逆启动模式 | |||
星/三角启动两继电器控制模式 | |||
线路保护 | |||
数字通讯 | 1路RS485接口,通讯协议:MODBUS-RTU | √ | |
模拟量输出 | 1路DC4~20mA模拟量变送输出,对应电量可编程选择 | √ | |
光耦输入信号 | 4个DI,不同控制模式具有不同的定义和作用 | √ | |
继电器输出 | 3个DO,不同控制模式具有不同的作用 | √ | |
测量显示 | 三相电流、三相电流不平衡率 | √ | |
三相电压、有功功率、无功功率、漏电电流 | √ | ||
保护定值设定 | 各种保护定值查询、整定 | √ | |
五、技术指标
技术参数 | 技术指标 |
保护器辅助工作电源 | AC/DC 85V~265V(交直流通用,宽范围) |
保护器适用电压系统 | AC380V、AC660V(50Hz) |
保护器功耗 | 正常工作时≤5W,保护启动时≤8W |
保护器电流规格 | 保护器“电流规格”应略大于电动机铭牌电流或线路设计电流,当电动机铭牌电流或线路电流<200A时,主线路一次穿过自带电流互感器即可;当电流>200A时,需外置二次电流为5A的保护型电流互感器,CT变比在待机状态时可设置。 |
漏电电流测量量程 | 外置零序电流互感器,测量范围为AC0~2000mA |
继电器输出触点 | J1、J2、J3都为常开触点,继电器触点容量:AC 250V/3A |
开关量输入 | 4路开关量状态或命令输入(内置12V电源),外接无电干接点 |
保护器外形及开孔尺寸 | 外形尺寸:96mm×48mm×95mm;开孔尺寸:91mm(横向)×43mm(纵向) |
正常使用环境 | 工作温度:-10℃~55℃ |
相对湿度:5%~90%不结露 | |
海拔≤2500m |
六、保护器、外置零序电流互感器的外形尺寸及安装方式
● 保护器外形尺寸及安装方式:

DeM200K安装方式(主体屏面开孔安装):
1.柜体上开91mm(横向)×43mm(纵向)的矩形安装孔;
2.DeM200K主体从正面嵌入安装孔中;
3.两侧用配套塑料固定件前推固定DeM200K主体;
4.在柜内合适的位置开两个间距为102mm的Φ4.5mm圆孔,用两个M4螺栓配合螺母把DeM200K配套电流互感器固定住;
5.用配套的分体航空连接线连接电流互感器及DeM200K主体,并旋紧航空头螺母。
● 外置零序电流互感器外形尺寸及安装方式:

规格型号 | 外形尺寸 | 穿孔尺寸 | 安装尺寸 | 安装方式 | 建议应用电流系统 | ||||
W | H | D | B | A | M | N | |||
TR-LX40 | 65 | 90 | 21 | 72 | Φ40 | 55 | Φ5 | 螺栓安装 | 0.5~200A |
TR-LX75 | 136 | 128 | 21 | 116 | Φ75 | 122 | 4 | 螺栓安装 | 200~600A |
TR-LX120 | / | / | 30 | 170 | Φ120 | / | / | 无 | 600~1000A |
注:此系列零序电流互感器自带二次引出线,引出线标配1米,可选1米、3米、5米三种长度。
TR-LX40、TR-LX75安装方式:
在柜内合适的位置开两个间距为55mm(TR-LX40)或122mm(TR-LX75)的Φ4.5mm圆孔,用两个M4螺栓配合螺母把零序电流互感器固定住。
七、接线示意图
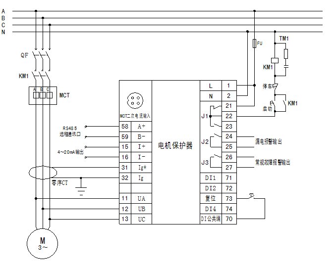
1、电动机保护模式接线示意图

电动机保护模式下,保护器中继电器J1常闭接点串在控制电机接触器KM1的线圈回路中,当保护器上电后可按上图中“启动”按钮,接通KM1线圈回路使KM1吸合并自锁,主回路得电后启动电动机转动。当保护器检测到设为跳闸输出的故障且延时时间到后,保护器进行故障跳闸动作,继电器J1常闭点断开,接触器KM1 释放,电动机停车。故障跳闸后需长按复位键3秒以上方可清除故障指示,继电器J1恢复原状态,进入启动就绪状态,允许电机再次启动。
注1:当电动机铭牌电流<200A时,主线路一次穿过自带电流互感器MCT即可;当电流>200A时,需外置二次电流为5A的保护型电流互感器,二次5A电流信号一次穿过自带电流互感器MCT,CT变比可以在保护器待机状态时设置。
注2:保护模式下,启动/停车操作必须用外接的对应远程按钮来完成,保护器本体面板上的启动/停车按键操作无效。上图中的远程启动/停车/复位按钮都采用点动式。
注3:上图中代号为“TM”的元件是灭弧器,建议接此元件在接触器线圈的两端。
注4:选择漏电保护功能时,应选取合适穿线孔径的零序电流互感器(电动机回路A、B、C三相线同时穿过零序电流互感器,互感器选型见A10页)。
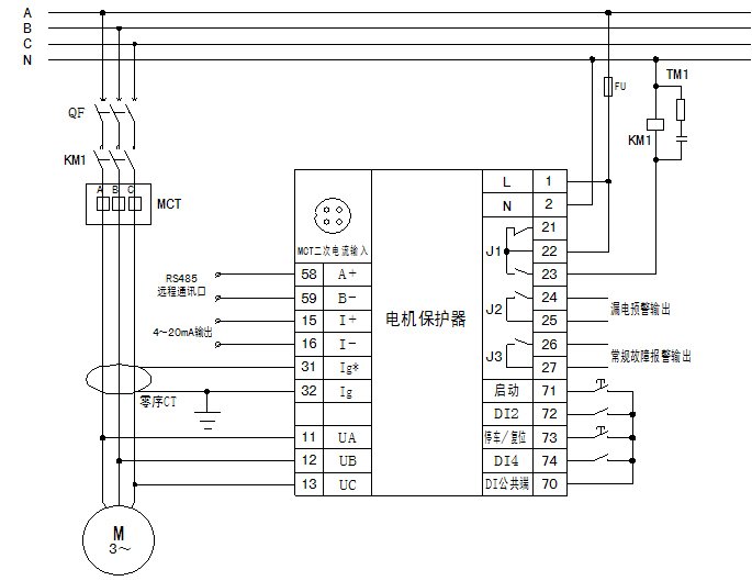
2、电动机直接启动模式接线示意图

电动机直接启动模式下,当保护器收到启动命令时,内部继电器J1 吸合,则接触器KM1 得电吸合,电动机得以启动,启动过程中保护器显示“启动”字符;启动结束,“启动”字符熄灭,“运行”字符显示,表示电动机正在运行。当保护器收到停车命令,继电器J1断开,接触器KM1 释放,电动机停车,保护器显示“停车”字符,停车过程结束后,进入启动就绪状态时,保护器显示“就绪”字样。当保护器启动或运行过程中检测到电动机回路有跳闸类故障且延时时间到后,继电器J1断开,接触器KM1 释放,电动机停车,保护器显示“停车”、“故障”字符以及具体故障类别,故障跳闸后需按“复位”按钮或按键3秒以上方可清除保护器的故障指示,保护器回到启动就绪状态。
注1:当电动机铭牌电流<200A时,主线路一次穿过自带电流互感器MCT即可;当电流>200A时,需外置二次电流为5A的保护型电流互感器,二次5A电流信号一次穿过自带电流互感器MCT,CT变比可以在保护器待机状态时设置。
注2:直接启动模式下,启动/停车/复位操作可以由保护器面板操作按键、远程按钮、后台通讯控制三种控制方式中的某一种来完成(需在保护器的系统设置中选择操作权限,操作权限选定后,三种控制方式中只有一种被选的控制方式进行控制才有效)。上图中的远程启动按钮、停车/复位按钮都采用点动式,停车/复位按钮短按为停车,长按>3秒停车并复位。
注3:上图中代号为“TM”的元件是灭弧器,建议接此元件在接触器线圈的两端。
注4:选择漏电保护功能时,应选取合适穿线孔径的零序电流互感器(电动机回路A、B、C三相线同时穿过零序电流互感器,互感器选型见A10页)。
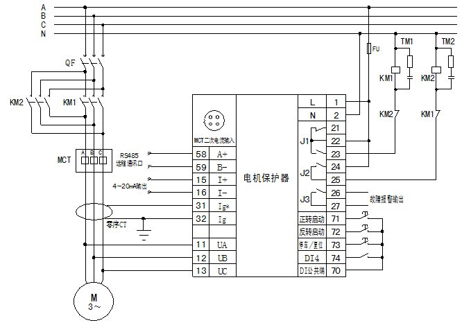
3、电动机双向可逆启动模式接线示意图

正转启动:当保护器收到“正转启动”命令后,内部继电器J1吸合,则接触器KM1 得电吸合,电动机进入正向启动状态,启动过程中保护器显示“启动”字符;启动结束后保护器显示“运行”字符,表示进入正常运行状态。当保护器收到停车命令后,继电器J1断开,接触器KM1 释放,电动机停车,保护器显示“停车”字符,停车过程结束后,进入启动就绪状态时,保护器显示“就绪”字样。当保护器启动或运行过程中检测到电动机回路有跳闸类故障且延时时间到后,继电器J1断开,接触器KM1 释放,电动机停车,保护器显示“停车”、“故障”字符以及具体故障类别,故障跳闸后需按“复位”按钮或按键3秒以上方可清除保护器的故障指示,保护器回到启动就绪状态。
反转启动:当保护器收到“反转启动”命令后,内部继电器J2吸合,则接触器KM2 得电吸合,电动机进入反向启动状态,启动过程中保护器显示“启动”字符;启动结束后保护器显示“运行”字符,表示进入正常运行状态。当保护器收到停车命令后,继电器J2断开,接触器KM2 释放,电动机停车,保护器显示“停车”字符,停车过程结束后,进入启动就绪状态时,保护器显示“就绪”字样。当保护器启动或运行过程中检测到电动机回路有跳闸类故障且延时时间到后,继电器J2断开,接触器KM2 释放,电动机停车,保护器显示“停车”、“故障”字符以及具体故障类别,故障跳闸后需按“复位”按钮或按键3秒以上方可清除保护器的故障指示,保护器回到启动就绪状态。
注1:当电动机铭牌电流<200A时,主线路一次穿过自带电流互感器MCT即可;当电流>200A时,需外置二次电流为5A的保护型电流互感器,二次5A电流信号一次穿过自带电流互感器MCT,CT变比可以在保护器待机状态时设置。
注2:双向可逆启动模式下,正转启动/反转启动/停车/复位操作可以由保护器面板操作按键、远程按钮、后台通讯控制三种控制方式中的某一种来完成(需在保护器的系统设置中选择操作权限,操作权限选定后,三种控制方式中只有一种被选的控制方式进行控制才有效)。上图中的远程正转启动/反转启动/停车/复位按钮都采用点动式,停车/复位按钮短按为停车,长按>3秒停车并复位。
注3:上图中代号为“TM”的元件是灭弧器,建议接此元件在接触器线圈的两端
4、星/三角启动两继电器控制模式接线示意图

星/三角启动模式下,保护器上电后进入启动就绪状态,保护器显示“就绪”字符。当保护器收到启动命令后内部继电器J1吸合,则接触器KM1、KM3相继得电吸合,启动过程中保护器显示“启动”字符,表示电动机在星形启动过程中,当设定的启动时间到后继电器J1断开,继电器J2吸合,则接触器KM1失电释放,接触器KM2得电吸合,自动切换到三角形运行状态。启动结束后,“启动”字符熄灭,保护器显示“运行”字符,表示电动机进入运行状态。当保护器收到停车命令后,继电器J2断开,接触器KM2、KM3 释放,电动机停车,保护器显示“停车”字符,停车过程结束后,进入启动就绪状态时,保护器显示“就绪”字样。当保护器启动或运行过程中检测到电动机回路有跳闸类故障且延时时间到后,继电器J2断开,接触器KM2、KM3释放,电动机停车,保护器显示“停车”、“故障”字符以及具体故障类别,故障跳闸后需按“复位”按钮或按键3秒以上方可清除保护器的故障指示,保护器回到启动就绪状态。
注1:当电动机铭牌电流<200A时,主线路一次穿过自带电流互感器MCT即可;当电流>200A时,需外置二次电流为5A的保护型电流互感器,二次5A电流信号一次穿过自带电流互感器MCT,CT变比可以在保护器待机状态时设置。
注2:星/三角启动两继电器控制模式下,启动/停车/复位操作可以由保护器面板操作按键、远程按钮、后台通讯控制三种控制方式中的某一种来完成(需在保护器的系统设置中选择操作权限,操作权限选定后,三种控制方式中只有一种被选的控制方式进行控制才有效)。上图中的远程启动/停车/复位按钮都采用点动式,停车/复位按钮短按为停车,长按>3秒停车并复位。
注3:上图中代号为“TM”的元件是灭弧器,建议接此元件在接触器线圈的两端。
注4:选择漏电保护功能时,应选取合适穿线孔径的零序电流互感器(电动机回路A、B、C三相线同时穿过零序电流互感器,互感器选型见A10页)。
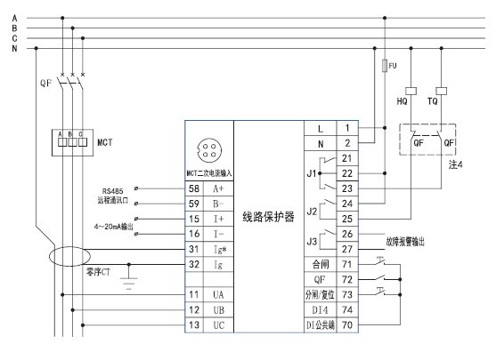
5、线路保护测控模式接线示意图

线路保护测控模式下,当保护器收到合闸命令时,内部继电器J2(合闸继电器)吸合,则断路器合闸线圈得电,断路器合闸,保护器收到QF合闸状态反馈后显示“就绪”。当保护器收到分闸命令,或者有保护跳闸动作发生时,继电器J1(分闸继电器)吸合,则断路器分励线圈得电,断路器分闸,保护器收到QF分闸状态反馈后,显示界面的“就绪”字样消失。故障跳闸后需长按 “复位键”3秒方可清除故障指示,继电器J1恢复原状态。
注1:当线路最大工作电流<200A时,主线路一次穿过自带电流互感器MCT即可;当线路最大工作电流>200A时,需外置二次电流为5A的保护型电流互感器,二次5A电流信号一次穿过自带电流互感器MCT,CT变比可以在保护器待机状态时设置。
注2:选择漏电保护功能时,应选取合适穿线孔径的零序电流互感器(零序电流互感器选型见A10页)。不同的接地系统(如TT系统、IT系统、TN系统),零序电流互感器的穿线方式及接地方式不同,请根据实际接地系统情况正确接线,上图为TT系统接线图。
注3:合闸/分闸/复位操作可以由保护器面板操作按键、远程按钮、后台通讯控制三种控制方式中的某一种来完成(需在保护器的系统设置中选择操作权限,操作权限选定后,三种控制方式中只有一种被选的控制方式进行控制才有效)。上图中的远程合闸按钮、分闸/复位按钮都采用点动式,分闸/复位按钮短按为分闸,长按>3秒分闸并复位。
注4:上图二次控制回路的断路器合闸线圈和跳闸线圈回路中,建议如图中所示,分别接入断路器的常闭和常开辅助触点。