全国服务热线
点击次数:1208 更新时间:2022-07-18
普通型低压电动机保护器DeM200J

一、概述
DeM200J普通型低压电动机保护器适用于AC380V、AC660V低压系统,有先进的电动机保护、监控功能,同时显示各项整定参数信息,并且可选现场总线与后台通讯实时查看运行及保护信息,可作低压异步电动机的保护、监测和控制用,为现代化的设备管理带来很大的便利。
符合标准:GB14048.1-2012、GB14048.4-2010、GB14048.5-2008、GB14048.6-2008。
二、产品特点
1. 可用于0.66KV及以下电压等级各种电流规格电动机的基本保护;
2. 通过监测电动机三相回路的电流等参数对电动机进行过流、堵转、短路、缺相等多种故障保护;
3. 采用高亮红色LED以及指示灯实时显示运行状态及数据;
4. 可编程设置,可在现场方便地更改整定电流等参数;
5. 可选配1路RS485数字通讯接口,采用MODBUS-RTU协议与后台组网通讯;
6. 可选配1路DC4~20mA模拟量变送输出到后台工控机;
7. 电源电压:AC220V;
8. 具有分体式屏装和固定互感器一体式安装两种安装方式可选择。
三、产品选型说明

请根据电动机铭牌电流选择合适的电流规格(保护器电流规格应略大于电动机铭牌电流);当保护器电流规格大于200A时,需外置二次电流为5A的保护型电流互感器,DeM200J无CT变比设置项,所以保护器的电流规格须同电流互感器的电流变比。分体式安装保护器定货时需标清航空连接线长度(航空连接线标配1米,可选1米、3米、5米三种长度)。
四、技术指标
技术参数 | 技术指标 | |
保护器辅助工作电源 | 常规为AC220V±15%供电,AC380V作工作电源时订货需特别说明 | |
保护器适用电压系统 | AC380V、AC660V(50Hz) | |
保护器功耗 | 正常工作时≤3W,保护启动时≤5W | |
保护器电流规格 | 2A(适用电动机电流0.5A~2A) | 选用200A及以下电流规格的保护器,电动机主回路的三相线分别自上向下一次穿过保护器自带的电流互感器A、B、C三相孔中,不需另配互感器 |
10A(适用电动机电流2A~10A) | ||
50A(适用电动机电流10A~50A) | ||
100A(适用电动机电流30A~100A) | ||
200A(适用电动机电流80A~200A) | ||
300/5A(适用电动机电流120A~300A) | 选用200A以上电流规格的保护器时,电动机主回路的三相线一次穿过变比为5A的三个外置电流互感器,外置电流互感器二次线分别在保护器自带的电流互感器A、B、C三相孔中绕5匝 | |
500/5A(适用电动机电流200A~500A) | ||
800/5A(适用电动机电流320A~800A) | ||
继电器输出触点 | 跳闸继电器J1(1常闭常开转换接点,增加漏电功能时为常闭接点) | 触点容量:AC 250V/5A |
可编程继电器J2(1常开接点,如:报警吸合等) | ||
正常使用环境 | 工作温度 | -10℃~55℃ |
相对湿度 | 5%~90%不结露 | |
海拔 | ≤2500m | |
五、功能配置
形式 功能 | 功能配置 | ||
标准配置 | 增选配置 | ||
保护功能 | 启动保护 | √ | |
三相电流不平衡保护、断相保护 | √ | ||
堵转保护 | √ | ||
过流保护 | √ | ||
欠流保护 | √ | ||
过压保护(控制回路电压) | √ | ||
欠压保护(控制回路电压) | √ | ||
短路保护 | √ | ||
漏电保护(需另配零序电流互感器,互感器选型见A10页) | √ | ||
漏电闭锁(增选此功能无控制回路电压检测) | √ | ||
通讯功能 | 1路RS485通讯接口,通讯协议:MODBUS-RTU | √ | |
继电器输出 | 跳闸继电器J1(1常开常闭转换接点,增加漏电功能时为常闭接点);可编程继电器J2(1常开接点,如:报警吸合等) | √ | |
模拟量输出 | 一路4~20mA(可对应A、B、C三相电流中任一相) | √ | |
测量显示 | 三相电流,控制回路电压 | √ | |
漏电电流值 | √ | ||
对地绝缘电阻 | √ | ||
注:通讯功能和模拟量输出功能因接线端子限制,只能二选一。
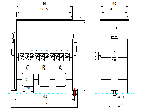
六、外形尺寸及安装方式
● 一体式DeM200J外形尺寸及安装方式

一体式DeM200J安装方式(柜内固定安装):
1.在柜内合适的位置开两个间距为102mm的Φ4.5mm圆孔,用两个M4螺栓配合螺母压住配套长支架下端,把DeM200J配套电流互感器固定住;
2.两侧用配套固定件中的小螺栓穿过长支架上端的螺纹孔,顺时针旋转小螺栓抵紧小支架(小支架无螺纹孔的一端抵住螺栓并钩住壳体方孔内壁),从而进一步保证保护器与配套电流互感器的连接可靠性。
● 分体式DeM200J外形尺寸及安装方式

分体式DeM200J安装方式(主体屏面开孔安装):
1.柜体上开94mm(横向)×46mm(纵向)的矩形安装孔;
2.DeM200J主体从正面嵌入安装孔中;
3.两侧用配套金属固定件顺时针旋转螺栓固定DeM200J主体;
4.在柜内合适的位置开两个间距为102mm的Φ4.5mm圆孔,用两个M4螺栓配合螺母把DeM200J配套电流互感器固定住;
5.用配套的分体航空连接线连接电流互感器及DeM200J主体,并旋紧航空头螺母。
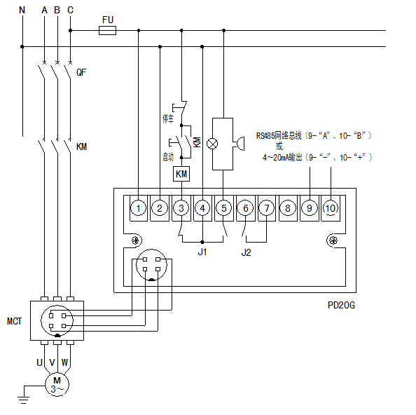
七、接线示意图
● DeM200J常规配置接线图(AC220V供电)

注1:图中继电器J1的常闭接点(3#、4#)作保护分接触器用,J1的常开接点(4#、5#)可作报警用,继电器J2为可编程继电器,常规作为报警继电器用,在保护器带有通讯功能时,继电器J2可并接在启动按钮两端,作通讯启动用。
注2:图中MCT为保护器自带电流互感器,≤200A 电流规格保护器,主线路A、B、C三相一次穿芯即可;当电动机的额定电流大于200A时,需接外部保护CT,将CT二次侧5A电流线每相在保护器的MCT上绕5匝。
注3:保护器所配电流互感器MCT为通用型,不同规格保护器也可互换电流互感器MCT。
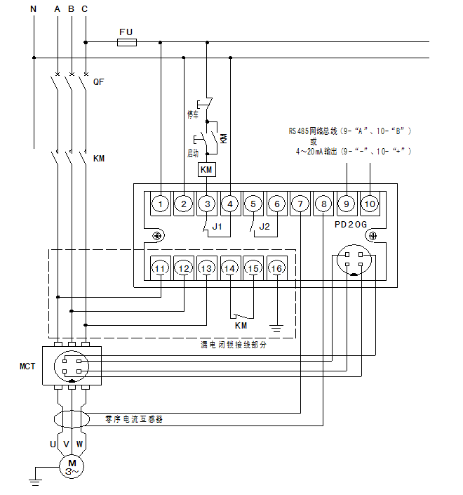
● DeM200J带漏电保护或漏电闭锁功能接线图(AC220V供电)
注1:图中继电器J1的常闭接点(3#、4#)作保护分接触器用;继电器J2为可编程继电器,常规作为报警继电器用,在保护器带有通讯功能时,继电器J2可并接在启动按钮两端,作通讯启动用。
注2:图中MCT为保护器自带电流互感器,≤200A 电流规格保护器,主线路A、B、C三相一次穿芯即可;当电动机的额定电流大于200A时,需接外部保护CT,将CT二次侧5A电流线每相在保护器的MCT上绕5匝。
注3:保护器所配电流互感器MCT为通用型,不同规格保护器也可互换电流互感器MCT。
注4:选择漏电保护功能时,应选取合适穿线孔径的零序电流互感器(电机回路A、B、C三相线同时穿过零序电流互感器,互感器选型见A10页)。
注5:虚线框内为漏电闭锁功能的接线部分,其中14#和15#端子接接触器的常闭辅助触点,11#、12#、13#端子分别接KM主触点下端的A、B、C三相线。做工频耐压试验前,16#接线端子必须与地线断开,否则控制器漏电闭锁部分会被高压击坏。