全国服务热线
点击次数:714 更新时间:2022-07-18

产品概述
现代工业中存在着许多负载变化快速且频繁的设备,这时使用交流接触器无法满足系统无功补偿的投切即时需要,可采用具有“过零投切”操作概念的晶闸管快速补偿开关装置,可以实现极其快速的投切和无电弧及浪涌电流的切离操作。
晶闸管投切开关装置,无机械磨损,操作时无噪声,并且具有实际上无暂态过程的优点,这意味着功率因数改善具有最小的延时,控制系统使所有段的电容器组投入或切除的最短时间仅为一个周波。
型号说明

特性和优点
•高速的实时补偿功能:
先进技术的晶闸管控制可以轻易地在1Oms以内投入补偿,可以满足任何变动频繁且快速的工业负载需求。
•无投入涌流:
电容器只在晶闸管两端电压差为零且同步的情况下被投入系统,因此没有一般接触器投切时所常见的,由于两者端电压不同而所造成的浪涌电流,消除了可能由于浪涌电流所造成的各种故障及干扰。
•切离时无暂态电流:
过零投切控制器将控制电容器在正弦波中电流值为零的瞬间切离电路,可以确保电容器的切离过程中无暂态电流存在,避免了电容器切除瞬时弧光及其损害,大大增加了使用的安全性。
•无投切操作次数的限制:
具有“过零投切”的特点,能做到非常频繁且安全的投切电容器或电容器组。
•延长电容器的使用寿命:
由于晶闸管开关无浪涌、无暂态电流,所以不存在电容器因传统形式的分合涌流暂态而造成的绝缘介质损坏,进而大幅延长了电容器的使用寿命,节省了例行维护及更换的成本。
•整体造价的长远效益:
不仅由于理想的无功改善而大大节省电费,同时电容器的寿命大幅延伸,整体造价及运转成本在长期的评估更为经济。
工作原理图

技术参数
工作电压 | AC380V±20%,50Hz(取自L1和L3) |
响应速度 | ≤10ms |
自动控制 | 12V/DC,10mA(本机com和k1端子输入控制) |
通讯接口 | TTL(专用接口,可进行参数设置) |
外壳 | 前面:树脂结构 后面:金属结构 |
工作温度 | -25℃--+70℃ |
机械寿命 | 大于35*106投切操作 |
存储温度 | -40℃--+85℃ |
环境湿度 | 0%-95%,无潮湿及凝露 |
防护等级 | 前面板IP54,后面板IP20 |
执行标准 | EN 61010-1/IEC 61610-1,EN 61326/IEC 61326 |
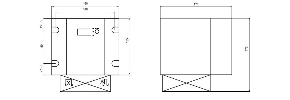
安装尺寸
系列安装尺寸图:
安装孔尺寸:140mm*80mm ,φ07圆孔
外形尺寸:160mm*181mm*170mm(长*宽*高)

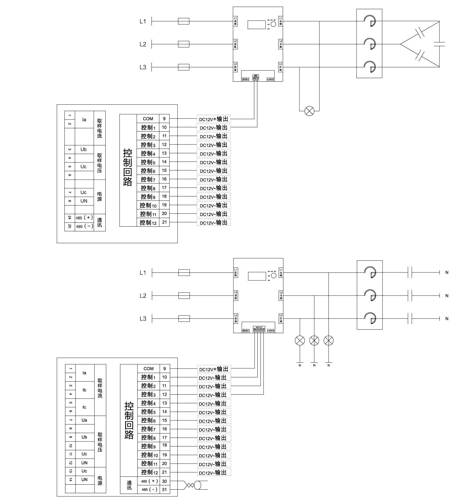
接线方式

晶闸管投切开关主要规格型号表
型号 | 系统电压(V) | 投切容量(kvar) | 补偿方式 | 外观尺寸L*W*H(mm) |
ST-3-15 | 400 | 15 | 三相共补 | 160*181*170 |
ST-3-30 | 400 | 30 | 三相共补 | 160*181*170 |
ST-3-40 | 400 | 40 | 三相共补 | 160*181*170 |
ST-3-50 | 400 | 50 | 三相共补 | 160*181*170 |
ST-3-60 | 400 | 60 | 三相共补 | 160*181*170 |
ST-YN-15 | 230 | 15 | 三相分补 | 160*181*170 |
ST-YN-30 | 230 | 30 | 三相分补 | 160*181*170 |
ST-YN-45 | 230 | 45 | 三相分补 | 160*181*170 |
ST-YN-60 | 230 | 60 | 三相分补 | 160*181*170 |